產品中心
聯系我們
- 佘雪梅 13641502138
- 常州市武進區牛塘鎮湖濱南路93號
側入式攪拌機
產品概述 Product Overview
常州鵬展減速機械廠(原常州江泰減速機械廠)是生產各種傳動減速機裝置的專業工廠,本廠生產的擺線針輪減速機是采用行星式傳動原理及擺線針齒齒合的新穎傳動機械.廣泛應用于冶金、礦山、起重、運輸、石油、化工、紡織、制藥、食品、輕工等工業部門的減速裝置。
側入式攪拌機
1.JBC側入式攪拌機的概述
該機型采用螺旋錐齒斜齒輪減速機和窄V皮帶作為動力根據國外產品改進設計的一種新穎攪拌機,具有結構緊湊、傳動平穩、噪音低、效率高、承載能力高、組合性能好等特點。該機型適用于工作壓力0-0.4MPa、工作溫度≤110℃的攪拌作業場合。該機型常配用配用特殊的堵漏裝置可以在不清空罐內液體情況下,更換軸封或拆卸減速機維護修理。一般無固體顆粒液體的攪拌密封有填料密封和機械密封兩種,如液體中有固體顆粒,選用時請向本公司技術咨詢。
根據不同的攪拌目的來配置如ZHX、TXR、GXR等不同形式的攪拌器葉輪,材質可分為碳鋼、不銹鋼等。主要用于重油、汽油等石油制品勻質攪拌和液體的混合、煙氣脫硫中的防止固體沉降等攪拌,在大型儲罐上聯組使用,可以獲得較好的攪拌效果和經濟效益。
2.型號表示
JBC 500/TXR—300—Y5.5—S1
攪拌器材質代號
電機代號(Y、YB防爆、YVP變頻、GMBL調速等)
攪拌機每分鐘轉速
攪拌器直徑/形式
側入攪拌機簡稱
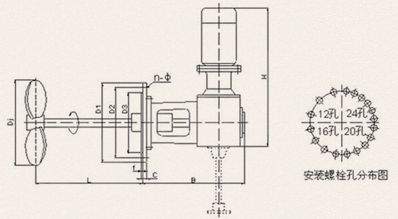
3.產品圖樣
窄V皮帶傳動側入式攪拌機 齒輪傳動側入式攪拌機
窄V皮帶傳動側入式攪拌機 齒輪傳動側入式攪拌機

螺旋錐齒輪傳動側入式攪拌機 平行軸齒輪傳動側入式攪拌機
4.JBC系列齒輪傳動側入式攪拌機的選型及主要參數


| 型號 | 功率 | 轉速 | 安裝尺寸 | 攪拌容積 | |||||||||
| JBC | KW | r/min | Dj | D1 | D2 | D3 | C | F | n-Ø | L | B | H | M³ |
| 1 | 0.75 | 220 | 200 | 395 | 350 | 290 | 18 | 5 | 12-18 | 500 | 520 | 770 | 5-15 |
| 2 | 1.5 | 240 | 300 | 540 | 495 | 463 | 28 | 5 | 16-22 | 600 | 560 | 820 | 15-30 |
| 3 | 4 | 300 | 400 | 540 | 495 | 463 | 28 | 5 | 16-22 | 600 | 560 | 840 | 40-80 |
| 4 | 5.5 | 215 | 500 | 755 | 705 | 667 | 36 | 5 | 20-26 | 750 | 650 | 965 | 50-100 |
| 5 | 7.5 | 300 | 500 | 645 | 600 | 568 | 32 | 5 | 20-22 | 625 | 650 | 965 | 80-150 |
| 6 | 11 | 250 | 600 | 755 | 705 | 667 | 36 | 5 | 20-26 | 750 | 750 | 1150 | 150-250 |
| 7 | 15 | 220 | 700 | 860 | 810 | 772 | 40 | 8 | 24-26 | 880 | 800 | 1220 | 200-300 |


| 型號 | 功率 | 轉速 | 安裝尺寸 | 攪拌容積 | ||||||||
| JBC | KW | r/min | Dj | D1 | D2 | D3 | C | F | n-Ø | L | B | M³ |
| 1 | 0.75 | 200-500 | 200-350 | 395 | 350 | 290 | 18 | 5 | 12-18 | 500 | 520 | 5-15 |
| 2 | 1.5 | 200-500 | 300-400 | 540 | 495 | 463 | 28 | 5 | 16-22 | 600 | 560 | 15-30 |
| 3 | 4 | 200-500 | 350-450 | 540 | 495 | 463 | 28 | 5 | 16-22 | 600 | 560 | 40-80 |
| 4 | 5.5 | 200-500 | 350-500 | 755 | 705 | 667 | 36 | 5 | 20-26 | 750 | 650 | 50-100 |
| 5 | 7.5 | 200-500 | 300-550 | 645 | 600 | 568 | 32 | 5 | 20-22 | 625 | 650 | 80-150 |
| 6 | 11 | 200-500 | 400-600 | 755 | 705 | 667 | 36 | 5 | 20-26 | 750 | 750 | 150-250 |
| 7 | 15 | 200-500 | 500-650 | 860 | 810 | 772 | 40 | 8 | 24-26 | 810 | 800 | 200-300 |







